Über 300.000 Kunden - wir sagen Danke!

40,000+ Produkte aus Jagd und Schiesssport

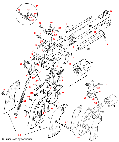
Entdecke eine detaillierte Explosionszeichnung des Ruger® Super Blackhawk Hunter Revolvers, die dir hilft, die einzelnen Teile und deren Anordnung besser zu verstehen.

Ruger® Super Blackhawk Hunter Explosionszeichnung - Entdecke die Details!

Auf dieser Seite findest du die Explosionszeichnung für den Ruger® Super Blackhawk Hunter, die dir einen umfassenden Überblick über die einzelnen Komponenten und deren Anordnung bietet. Diese Zeichnungen sind unverzichtbar für alle, die an Reparaturen oder Wartungen interessiert sind, da sie dir helfen, die Funktionsweise deines Revolvers besser zu verstehen. Die detaillierten Illustrationen zeigen nicht nur die Teile, sondern auch deren Bezeichnungen, was die Identifikation und den Austausch erleichtert. Egal, ob du ein erfahrener Waffenbesitzer oder ein Neuling bist, diese Ressource ist für jeden nützlich, der die Leistung seines Ruger® Modells optimieren möchte.

Ruger® Super Blackhawk Hunter



Ruger® Super Blackhawk Hunter Explosionszeichnung


Ruger® Super Blackhawk Hunter
Klicke auf eine rote Nummer, um mehr Informationen über das betreffende Produkt zu erhalten und um es in den Warenkorb zu legen. Klicke "SKU Liste" um alle anderen Teile für diese Explosionszeichnung zu sehen.

Ruger® Super Blackhawk Hunter Ersatzteile


Zurück nach oben