Über 300.000 Kunden - wir sagen Danke!

40,000+ Produkte aus Jagd und Schiesssport

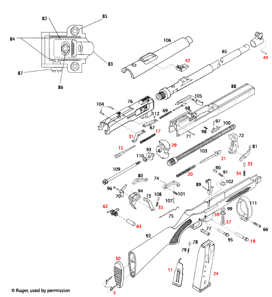
Entdecke die detaillierte Explosionszeichnung der Ruger® PC 9/40 Carbine, die dir hilft, die einzelnen Komponenten und deren Anordnung besser zu verstehen.

Ruger® PC 9/40 Carbine Explosionszeichnung - Entdecke die Details deiner Waffe!

Willkommen auf der Seite für die Ruger® PC 9/40 Carbine Explosionszeichnung! Hier findest du eine umfassende und detaillierte Übersicht über die einzelnen Komponenten dieser beliebten Karabiner. Die Explosionszeichnung zeigt dir, wie die Teile zusammengebaut sind und hilft dir, die Funktionsweise deiner Waffe besser zu verstehen. Egal, ob du ein erfahrener Waffenliebhaber oder ein Neuling bist, du wirst die nützlichen Informationen zu den Ersatzteilen und deren Anordnung zu schätzen wissen. Nutze diese Ressource, um deine Kenntnisse zu erweitern und die Wartung deiner Ruger® PC 9/40 Carbine zu optimieren!

Ruger® PC 9/40 Carbine



Ruger® PC 9/40 Carbine Explosionszeichnung


Ruger® PC 9/40 Carbine
Klicke auf eine rote Nummer, um mehr Informationen über das betreffende Produkt zu erhalten und um es in den Warenkorb zu legen. Klicke "SKU Liste" um alle anderen Teile für diese Explosionszeichnung zu sehen.

Ruger® PC 9/40 Carbine Ersatzteile


Zurück nach oben