Über 300.000 Kunden - wir sagen Danke!

40,000+ Produkte aus Jagd und Schiesssport

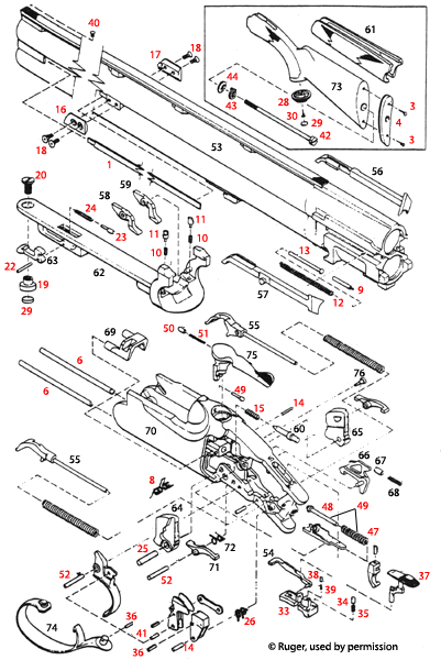
Entdecke die detaillierte Explosionszeichnung für die Ruger® Red Label O/U mit den Seriennummern 401/411/420, die dir beim Zusammenbau und der Wartung hilft.

Ruger® Red Label O/U S/N Prefix 401/411/420 Explosionszeichnung - Entdecke die Details deiner Waffe!

Die Seite bietet dir eine umfassende Explosionszeichnung für die Ruger® Red Label O/U Schrotflinten mit den Seriennummern 401, 411 und 420. Hier findest du eine detaillierte Darstellung der einzelnen Komponenten, die dir hilft, deine Waffe besser zu verstehen und zu warten. Die Explosionszeichnung zeigt alle Teile in einer klaren und strukturierten Weise, sodass du genau sehen kannst, wie alles zusammenpasst. Egal, ob du ein erfahrener Schütze oder ein Neuling bist, diese Informationen sind unerlässlich für die Pflege und Reparatur deiner Ruger® Waffe. Nutze die Zeichnung, um sicherzustellen, dass deine Schrotflinte immer in einwandfreiem Zustand ist!

Ruger® Red Label O/U S/N Prefix 401/411/420



Ruger® Red Label O/U S/N Prefix 401/411/420 Explosionszeichnung


Ruger® Red Label O/U S/N Prefix 401/411/420
Klicke auf eine rote Nummer, um mehr Informationen über das betreffende Produkt zu erhalten und um es in den Warenkorb zu legen. Klicke "SKU Liste" um alle anderen Teile für diese Explosionszeichnung zu sehen.

Ruger® Red Label O/U S/N Prefix 401/411/420 Ersatzteile


Zurück nach oben